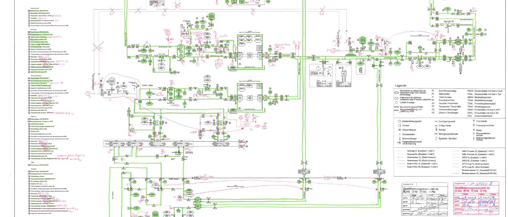
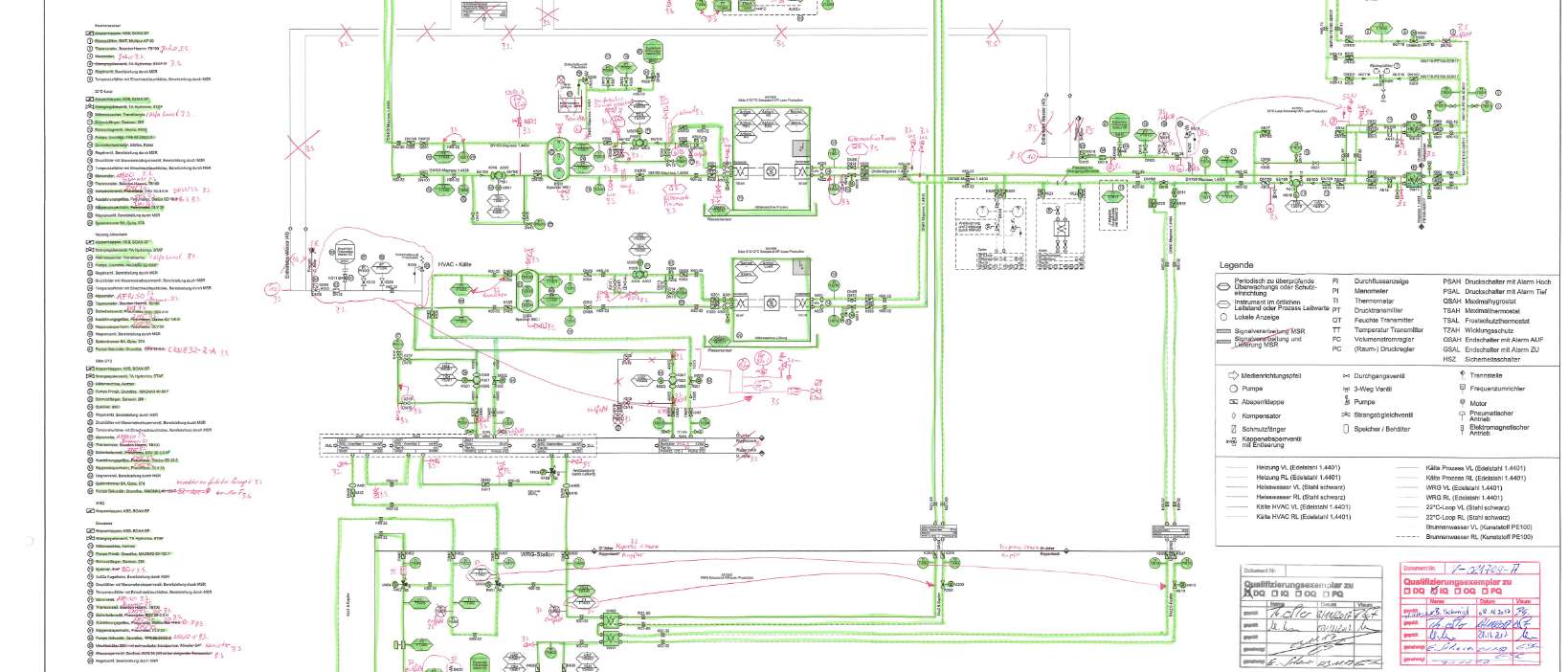
Qualifizierung

Wesentlicher Bestandteil der Qualitätssicherung im Herstellungsprozess sind qualifizierte Anlagen.

Wir bieten Ihnen die gesamte Palette der Dienstleistungen für die Qualifizierung Ihrer Anlagen und Systeme – von der Erstellung von Qualifizierungskonzepten über Risikoanalysen bis hin zum Abschlussbericht. Dank unserer langjährigen Erfahrung im Bereich der pharmazeutischen Industrie sind wir in der Lage, ebenso effiziente wie wirtschaftlich vertretbare Lösungen für jeden Qualifizierungsanspruch zu definieren. Nutzen Sie unser Know-how für die Erstellung Ihrer eigenen haustechnikspezifischen SOPs.

Verantwortung lässt sich nicht delegieren. Aber wir helfen Ihnen dabei, die richtigen Lösungen zu finden.

Ihre Vorteile:

  • Langjähriges GMP-Know-how
  • FDA- und Swiss-Medic-konforme Dokumentation
  • Einhaltung europäischer Standards
  • Best Practice Engineering

Unsere Leistungen:

  • Risikoanalysen
  • Erstellen von Qualifizierungsplänen und Berichten
  • Begleiten der Qualifizierungsphasen DQ / IQ / OQ / PQ
  • Unterstützung in allen Qualifizierungsphasen

Beratung? Jetzt anrufen!

Unsere Experten freuen sich auf Sie